電子圍欄是安防監控系統嗎?電子圍欄為何受歡迎?
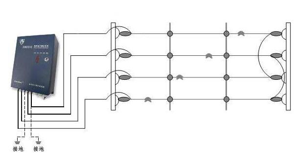
首先,小編回答第一個問題:電子圍欄是安防監控系統嗎?電子圍欄是安防監控系統一種,是目前最先進的周界防盜報警系統,系統主要由電子圍欄主機、前端配件、后端控制系統三大部分組成。
電子圍欄為何受歡迎?上面提到了,它是最先進的周界防盜報警系統。這也是人們看重它最重要的功能特色之一。同時,電子圍欄還有以下幾方面強大的功能。
1、具有完整、明確分界的高壓脈沖電子圍欄、靜電感應圍欄、具有強大的阻擋作用和威懾作用。
2、具有誤報率極低的智能報警功能。
3、備有報警接口,能與其它的安防監控系統聯動,提高系統的安全防范等級。
4、電子圍欄具有“防御為主,報警為輔”的顯著特點。
重慶勁浪科技,安防監控系統種專業公司。重慶勁浪科技是一家專注于弱電安防,視頻監控,電子圍欄安裝,門禁巡更系統設備,停車場管理系統銷售安裝的高新技術企業,本公司先后獲得了“重慶市一級安防施工資質”、“重慶市安防協會一級資質證書”、“重慶安防協會理事證書”、“杭州海康威視授權經銷商”等相關安防資質。專業的服務期待你的來電。
瀏覽次數:3992時間:2018/7/25 10:02:32
熱點新聞更多
- 安裝監控攝像頭還需求其他什么設備呢?2021/2/3 1
- 監控攝像頭有哪些分類2021/1/26
- 網線和監控線一樣嗎2020/12/8
- 監控攝像頭哪個牌子好?2020/11/13
- 監控攝像頭多少錢一個2020/10/26
- 隨處可見的監控攝像2020/9/2 1
- 監控攝像頭的區別分類2020/9/2 1
- 安裝監控要求有哪些2020/8/24
- 樓宇小區等安保系統如何組成2020/8/24
- 攝像頭安裝環境應該怎么選2020/8/13
- 安防監控系統使用注意事項2020/8/13
- 對監控系統故障的解決方法?2020/7/23
- 重慶購買網絡攝像機需要注意什么?2020/7/23
- 監控安防系統常見問題及解決方法2020/7/15
- 智能小區安防防盜報警常見問題有哪些2020/7/15
- 白光攝像機和紅外攝像機的區別講解2020/7/3 9
- 影響網絡監控攝像機帶寬的因素有哪些?2020/7/2 1
- 視頻監控系統使用前注意事項和維護保養2020/7/1 1
- 民用監控攝像機有哪些種類?2020/7/1 1
- 如何提高監控攝像機防破壞能力?2020/6/30


